taptap点点网页登录 方案 taptap点点官方网址
Ups电池放电仪的安装方法
来源:taptap点点Ganme 发布日期: 2021-10-31

    配电监控是动环系统中必不可少的一项,ups电池放电仪是用于中低压系统智能化装置,它能够进行数据采集,可以对电力参数测量及电能进行计量,对外提供通讯接口可以接入计算机,支持 RS485接口MODBUS通讯协议,接入动环系统后,操作方式很人性化,操作者能在短时间内掌握,阅读数据和参数设置等操作将变得简单易行。

ups电池放电仪

ups电池放电仪的安装方式

  该产品主要由电量仪模块和互感器模块组成。

   安装时,先安装电量仪模块,然后在安装互感器。

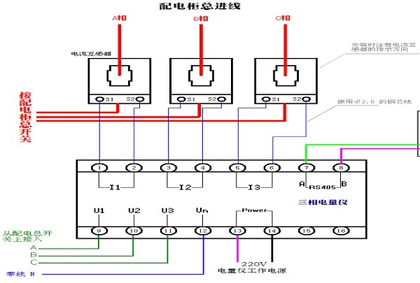
   安装电量仪模块是需要注意对应位置,A相对应接在电量仪的U1接口上面,B相对应接在U2上面,C相对应接在U3上面。


如图所示:

ups电池放电仪





因为每相对应数据显示,采集计算出正确的数据。

在安装互感器时,也是一样的互感器分别套在A、B、C三相的线上面,然后固定互感器。

   在套互感器时需要注意电流方向,电流方向为有P1流向P2.且在接线时注意互感器S1为正,接在电量仪的带*号的接线点,既套在A相的互感器的S1接在I1的*号端子上面。以此类推,如下图所示:

ups电池放电仪



   然后零线接在Un端口上,下面接入供电电源220v,注意供电电源建议用ups供电,这样当市电断了之后,保证电量仪能够正常运行,且能够检测到市电各个数据的情况,不然市电停了之后,电量仪也直接没有电了。

   安装完成后就是将点点娱乐场 电池放电仪的通讯线接入动环设备,电量仪采用485接口modbus通讯协议,接入动环系统,就能看到电量仪的各项数据了。

推荐资讯

Baidu
map